ERMAK-TT test firmware updates

Version 12.2 by UT2UK on 2026/01/02 17:18

How to check FW updates:

  • Go to HW info page (from menu of long press button 1
  • Push button image2024-12-28_12-39-8.png
  • Follow instruction
  • After ~5min tranciever will be rebooted automatically

1.2.6-MCB-150

  1. Microphone Self-Control Support

    • Added support for microphones with self-control in the Microphone menu.
    • Note: VOX functionality will be released in a future update.
  2. Input Audio Mixer Support

    • Added support for the input audio mixer.
    • Access via a short press of the  RF encoder .

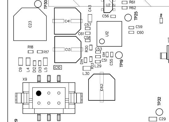
Hardware Update:

  • A minor hardware modification is required:

    • Replace resistor R23 on the ETH front panel board, or solder an additional resistor 0402, 680 Ω on top of the existing one.
    • The resistor is located near the audio codec U12.

1767366831740-619.png

1767366762850-354.png

1767366616442-240.png